点击上方蓝字关注我们~
枪钻在加工中心上应用
首先,枪钻是一种单刃切削刀具,而加工中心上并没有枪钻所需要的入口导向机构,因此就需要先做一个引导孔。而枪钻引导孔的精度直接决定了枪钻的加工精度。对枪钻引导孔的要求见下表:

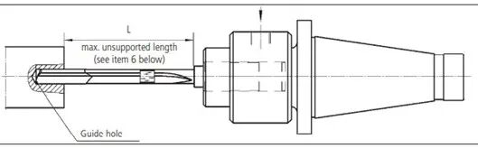
其次,加工中心一般都没有刀具支撑,因此枪钻长度和加工孔深都是受到很大限制的。对于110型焊接式枪钻,刀杆最大长度不能超过40倍直径;而对于113型整体硬质合金式枪钻,刀杆最大长度也不能超过60倍直径;


最后,很多加工中心采用的冷却介质是乳化液,而乳化液并不是枪钻加工的优选介质。使用乳化液加工时,对于切削的润滑性比较差,枪钻的寿命和加工精度以及加工效率都会受到非常大的影响。根据国外研究资料的实验数据,使用乳化液时,枪钻的寿命降低30%-40%;加工效率降低20%-30%;孔的表面光洁度等加工精度也会降低20%;
因此,如果需要大批量、高质量、高效的使用枪钻加工,枪钻专用机床还是用户的常用选择。
HTT 枪钻专用机系列供您参考,更多详情可以咨询或关注公众号!!

2015-2020 鸿特机械发展(上海)有限公司 All Rights Reserved 沪ICP备09005070号
沪公网安备 31011502003399号